+17602137191
网站首页
产品展示
血药浓度检测仪
液质联用系统
液相色谱仪
离子色谱仪
应用方案
客户案例
资质荣誉
联系我们
国家标准
行业新闻
临床质谱仪
在线留言
整站搜索:
网站公告:
诚信为本:市场永远在变,诚信永远不变。
产品展示
血药浓度检测仪
液质联用系统
液相色谱仪
离子色谱仪
行业新闻
离子色谱仪检测系统的构成
二维液相色谱系统/血药浓度分析仪测定血药浓度,实现精准医疗
我公司受邀参加深圳市工业和信息化局组织的企业座谈会
丙泊酚血药浓度检测方法进展
精准用药好帮手——治疗药物监测系统(TDM)
咨询热线
17602137191
手机:17602137191
电话:18647147115
地址:深圳宝安固戍2路--企拓商务2楼
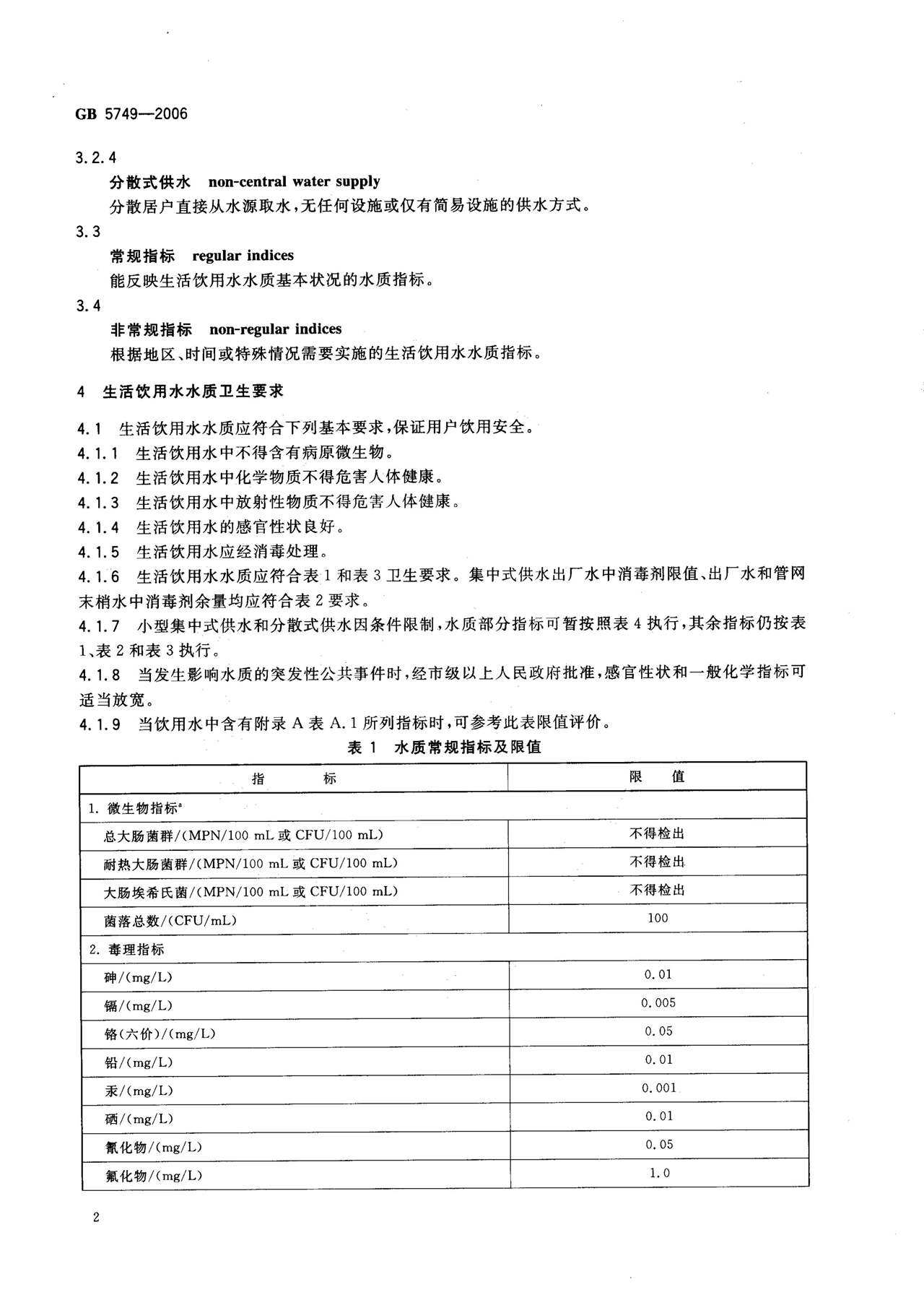
GB 5749-2006 生活饮用水卫生标准
你的位置:
首页
>
国家标准
GB 5749-2006 生活饮用水卫生标准
2020-06-08 10:40:09
GB 5749-2006
生活饮用水卫生标准
上一篇 : GB 3838-2002 地表水环境质量标准
下一篇: HJ 84-2016水质_无机阴离子的测定离子色谱法
返回列表
友情链接:
通用(深圳)仪器有限公司
仪器交易网
网站地图
返回顶部
网站首页
产品展示
应用方案
客户案例
资质荣誉
联系我们
国家标准
行业新闻
在线留言
地址:深圳宝安固戍2路--企拓商务2楼 电话:18647147115 手机:17602137191
Copyright © 2012-2022 通用(深圳)仪器有限公司 湖南创新通用仪器有限公司 苏州创新通用色谱仪器有限公司 版权所有
Powered by EyouCms
ICP备案编:
粤ICP备13087917号-1
电话:18647147115
手机:17602137191
QQ:4851806839